耐高溫外球面軸承 YAR204-2F/VA201 起重機械重載用江蘇魯岳300度高溫帶座軸承
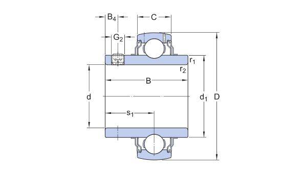
江蘇魯岳軸承制造有限公司生產的SIAIF耐低溫軸承,除了保持架和密封件以外,用于高溫環(huán)境的帶座軸承在設計方面與 標準帶座軸承相同。軸承兩側帶有防塵蓋和擋油環(huán),可防止固體污染物侵入軸承。
對于特定的變型,其軸承和防塵蓋的整個表面都經過磷化錳處理,以提高潤滑劑在金屬上的粘附性,并改善軸承的運行屬性。擋油環(huán)經酸洗處理。
這些軸承的徑向內部游隙為 C5 的倍數,軸承即使在迅速冷卻的情況下也不會被卡住。

高溫帶座軸承和球軸承單元的優(yōu)勢和特點包括:
1.無需補充潤滑
所有變型都使用石墨基高溫潤滑劑對軸承進行了終生潤滑。
2.更換簡單
外形尺寸與標準軸承和軸承單元的外形尺寸相同。
3.工作溫度可高達 350 °C (660 °F)
其內部徑向游隙和使用的潤滑劑均針對高溫操作進行了優(yōu)化。
4.快速輕松的安裝和拆卸
內圈的沉頭(緊定)螺釘使安裝/拆卸變得迅速簡便。
5.保護免受固體污染
防塵蓋擋油環(huán)(型號后綴 2F)可保護軸承不受污染。
6.增強的運行屬性
整個軸承表面都經過磷化錳處理。
7.無顏色脫落現象
軸承座涂有耐高溫涂層。

- 2F: 兩側帶 NBR 接觸式密封件和額外的普通擋油環(huán)
- VA201: 用于高溫應用的軸承,配有沖壓鋼保持架、經磷化錳處理的圈和滾動體、采用 C5 倍數的徑向游隙且使用聚二醇/石墨混合物進行潤滑

SIAIF高溫外球面軸承 YAR204-2F/VA201 詳細參數
耐高溫軸承選江蘇魯岳軸承制造有限公司,SIAIF耐高溫軸承廠家主要生產耐高溫軸承、不銹鋼軸承、高溫外球面軸承YAR204-2F/VA201,SIAIF高溫外球面軸承YAR204-2F/VA201產品相關信息:型號:YAR204-2F/VA201, 品牌:SIAIF軸承 , 類型:高溫外球面軸承 , 內徑:20mm , 外徑:47mm , 厚度:31mm , 想要更多的了解無錫SIAIF高溫外球面軸承YAR204-2F/VA201的相關產品信息,可以撥打服務熱線 ,我們會為您詳細介紹產品的相關服務。
江蘇魯岳軸承制造有限公司生產的SIAIF高溫外球面軸承 YAR204-2F/VA201 使用范圍很廣,主要應用于鋼廠冶金、玻璃、高爐、噴漆設備、礦山機械、輸送機、傳輸裝置、鍋爐風機、真空設備、窯爐窯車、機床設備、工程機械、振動篩、汽車、石油、電力、電機等高溫作業(yè)機械。本公司生產的SIAIF高溫外球面軸承YAR204-2F/VA201產品價格合理,保證質量,滿足客戶的產品工藝需求。


關注公眾號,隨時查軸承